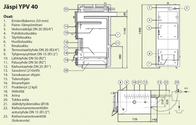
Woodheating boiler Jäspi 40 YPV
Price:
3799,15
€
379915
5306,14 €
530614
Qty: pcs



