Ilmanvaihtokone Vallox 125F MV RA12, korvaa Ilto 440
Hinta:
2772,69
€
277269
5037,57 €
503757
Määrä: kpl
Tiedostot
Vallox LTO-kone 125F MV RA ja LA
Toimituskulut: 45,00 €
Toimitusaika: 2-3 arkipäivää
Toimitusaika: 2-3 arkipäivää
Ilmanvaihtokone Vallox 125F MV korvaa ilto 440, sopii suoraan Ilto 440 R-kätisen koneen kanavistolähtöihin
Vallox 125 MV -ilmanvaihtokone vastaa nykyajan käyttö- ja energiavaatimuksia. Se voidaan asentaa suoraan Ilto 440 R-kätisen koneen kanavistolähtöihin. Laitetta on mahdollista ohjata etänä verkon kautta liittämällä se MyVallox Cloud -pilvipalveluun tai MyVallox Home -kotiverkkoon.
LVI: RA 7912193, LA 7912194
- kanavalähdöt 6 x 125 mm
- maks. poistoilma 125 l/s @ 100 Pa
- maks. tuloilma 115 l/s @ 100 Pa
- ristivastavirtakenno, hyötysuhde > 80 %
- ominaisenergiankulutusluokka (SEC) kylmässä/keskimääräisessä ilmastossa: A+/A
- automaattinen, osittainen lämmöntalteenoton ohitus viileäntalteenotolla
- tarpeenmukainen Vallox-sulatusautomatiikka
- automaattinen tehostus, sisäinen kosteus- ja hiilidioksidianturi
- etäohjausmahdollisuus
- takkakytkintoiminto
- tuloilmasuodatus ISO Coarse > 75 % + ISO ePM1
- poistoilmasuodatus ISO Coarse > 75 %
- sähköinen jälkilämmitysvastus 900 W
- sähköinen lisälämmitysvastus 900 W
- Modbusja KNX-liitäntävalmius
- turvakytkin katkaisee virran, kun ovi avataan
- vesilukko Vallox Silent Klick sisältyy hintaan
- ohjain sisältyy hintaan
Tekniset ominaisuudet
- Tuotemerkki: Vallox
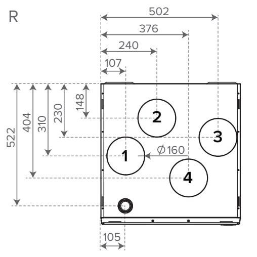
- Leveys: 598 mm
- Korkeus: 525 mm
- Syvyys: 601 mm
- Jännite: 230
- Paino: 65.5
- Kotelointiluokka (IP): IP34
- Lämmön talteenottotapa: muu
- Ohituksella: kyllä
- Power consumption at max. air volume at 100 Pa: 0.34
- Kanavan nimellishalkaisija: 160
- Enimmäisilmamäärä, 100 Pa: 399
- Enimmäisilmamäärä, 50 Pa: 281
- Taajuus: 50
- Vaiheiden lukumäärä: 1
- Sähkölämmityselementin teho: 900
- Käännettävä oikea/vasen versio: ei
- Soveltuu (extra) hiilidioksiinianturille (CO"): kyllä
- Kotelon/suojuksen materiaali: teräs
- Sähköinen liitäntä: liitäntäkaapeli RA-pistokkeella
- Lämpösuojalla: kyllä
- Jatkuvalla paineensäädöllä: ei
- Lämmönvaihtimen materiaali: alumiini
- Suitable for extra VOC sensor: kyllä
- Tuloilmasuodatin standardin ISO 16890-1: 2016 mukaan: ISO ePM1
- Langallinen ohjausyksikkö: kyllä
- Soveltuu (extra) ilmankosteusanturille (RH): kyllä
- Sisäinen ilmankosteusanturi (RH): kyllä
- Sisäinen hiilidioksidianturi (CO2): kyllä
- Moottorin tyyppi: elektronisesti kommutoitu (EC)
- With volatile organic compound (VOC) sensor: ei
- Jatkuvan tilavuusvirtauksen säädöllä: ei
- Seinäasennus: kyllä
- Digitaalinen näyttö: kyllä
- Energy efficiency class (1253/2014/EU): A
- Tukee Modbus-protokollaa: kyllä
- Soveltuu langalliselle ohjausyksikölle: kyllä
- Lämmityselementti: kyllä



